靜音式低組裝型直線導軌QE系列安裝注意事項太受阻力
規格刮油片阻力 N(kgf)
QE15 1.08(0.11)
QE20 1.37(0.14)
QE25 1.67(0.17)
QE30 2.06(0.21)
QE35 2.26(0.23)

摩擦力
此阻力值為單片刮油片之最大阻力。

安裝平面誤差
QE直線導軌系列為圓弧兩點接觸式直線導軌,其自動調心的特性可以吸收安裝面的些許誤差而不影響直線運動的順
暢性;下表中注明了安裝平面的容許誤差值:

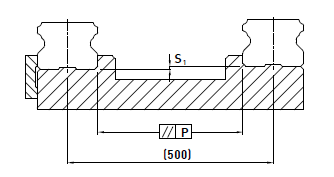
安裝注意事項
(1) 安裝面肩部高度及倒角

安裝直線導軌時必須注意安裝面肩部的狀況是否適當,如倒角過大,凸出的地方易造成直線導軌精度不良,而高
度過高則會干涉滑塊。故如果能依照建議要求安裝面肩部,安裝精度不良即可排除。

導軌裝配螺絲之扭力值安裝導軌時是否鎖緊貼平基準面影響直線導軌精度甚劇,因此為達到每顆螺絲都能鎖緊的目的,建議使用下列扭力值鎖裝配螺絲。